6" 900LB API Cast Steel Swing Check Valve BC RTJ
Key Specifications / Features
Model No.: Hits: 0
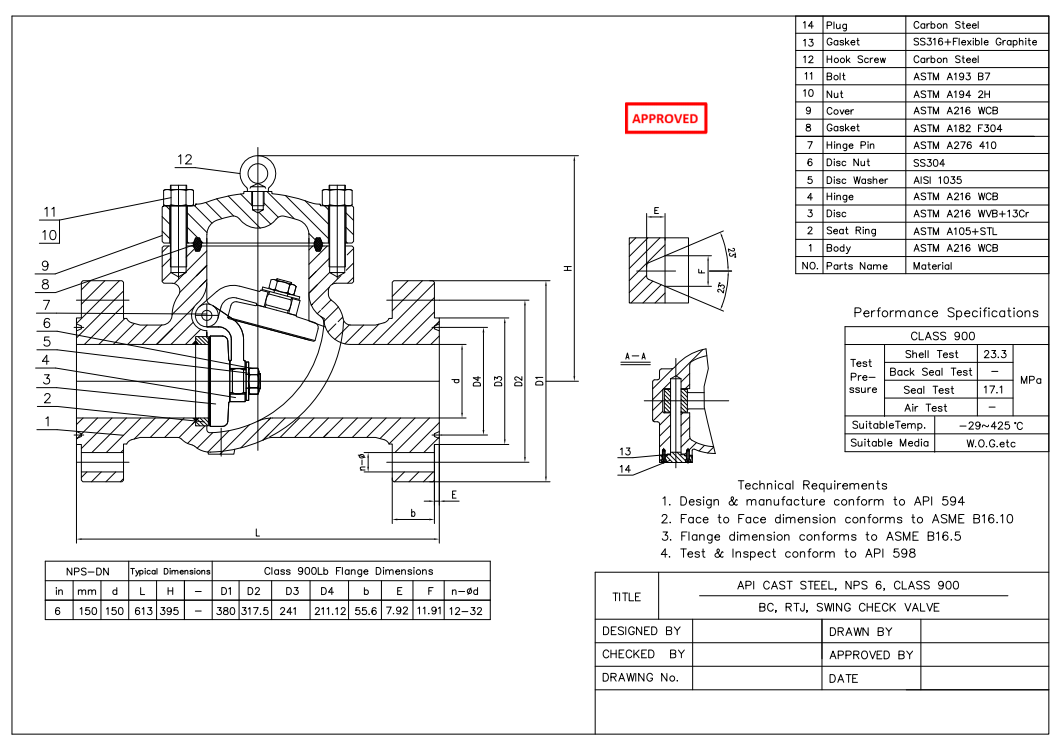
6" 900LB Cast Steel Swing Check Valve is made according to API 594 standard. The valve body is made of ASTM A216 WCB. It has the structural characteristics of Swing Type, Outside Hinge Pin, Bolted Bonnet. Its connection mode is RTJ.
Request a quote
Detail Information
Product Parameters
| Type |
Cast Steel Swing Check Valve |
| Size |
6” |
| Pressure |
900LB |
| Connection |
RTJ |
| Body Material |
ASTM A216 WCB |
| Design Norm |
API 594 |
| Face To Face |
ASME B16.10 |
| Flange dimension |
ASME B16.5 |
| Test & Inspection Code |
API 598 |
| Temperature |
-29 ~ 425°C |
| Applicable Medium |
Water, Oil and Gas |
Features
1.Bolted cover cast steel construction provides high structural strength for Class 900 high-pressure service.
2.Swing check design with RTJ ends ensures reliable backflow prevention and tight sealing in critical pipelines.
Technical Drawing
Dimension Checking
Pressure Testing
Nameplate & Packing

Keywords of 6" 900LB API Cast Steel Swing Check Valve BC RTJ
Comment Form
Similar Products