DN250 PN40 Cast Steel Gate Valve Body EN1092-1 B H.W.
Key Specifications / Features
Model No.: Hits: 0
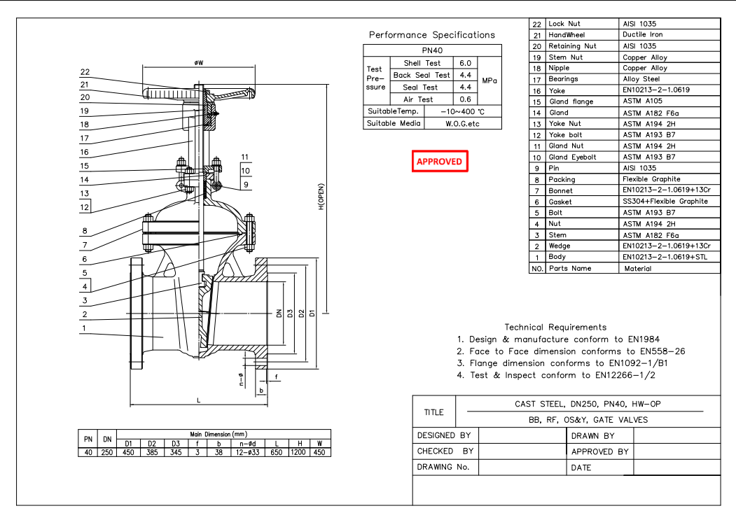
DN250 PN40 Cast Steel Gate Valve is made according to EN1984 standard. The valve body is made of EN10213-2-1.0619+STL. It has the structural characteristics of Bonnet, Solid Wedge. Its connection mode is EN1092-1 B. And it has hand wheel operation mode.
Request a quote
Detail Information
Product Description
| Type |
Cast Steel Gate Valve |
| Size |
DN250 |
| Pressure |
PN40 |
| Connection |
EN1092-1 B |
| Operation |
H.W. |
| Body Material |
EN10213-2-1.0619+STL |
| Design Norm |
EN1984 |
| Face to Face |
EN558-26 |
| Flange dimension |
EN1092-1/B1 |
| Test & Inspection Code |
EN12266-1/2 |
| Temperature |
-10 ~ 400°C |
| Applicable Medium |
Water, Oil and Gas |
Features
1. Heavy-Duty Cast Steel Construction: The cast steel body provides exceptional strength and resistance to wear, making it ideal for high-pressure systems.
2. Compliance with EN1092-1 B Standard: This valve meets the EN1092-1 B flange standards, ensuring compatibility and reliability for various industrial applications.
Technical Drawing
Dimension Checking
Pressure Testing
Painting
Nameplate & Packing
Inspection Report




Keywords of DN250 PN40 Cast Steel Gate Valve Body EN1092-1 B H.W.
Comment Form
Similar Products