1" 150LB Forged Steel Flange Globe Valve API602 A105N Hand Wheel
Key Specifications / Features
Model No.: Hits: 0
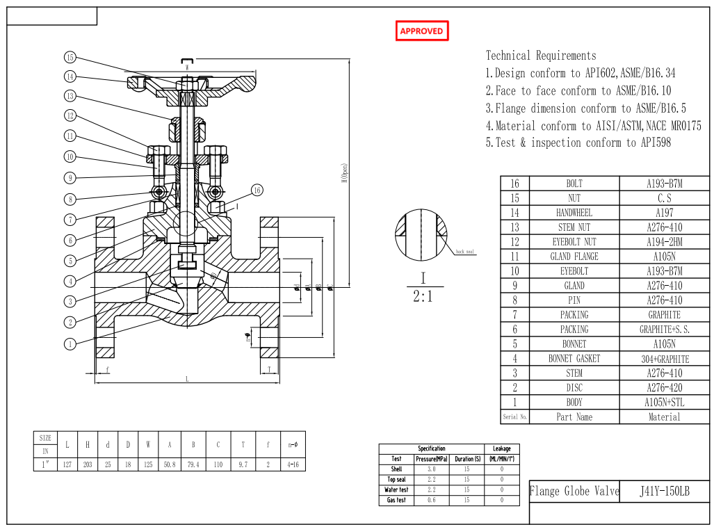
1" 150LB Forged Steel Flange Globe Valve is made according to API602 standard. The valve body is made of A105N+STL. It has the structural characteristics of Bonnet, Straight-through Type. Its connection mode is RF. And it has hand wheel operation mode.
Request a quote
Detail Information
Product Description
| Type |
Forged Steel Flange Globe Valve |
| Size |
1" |
| Pressure |
150LB |
| Connection |
RF |
| Operation |
Hand wheel |
| Body Material |
A105N+STL |
| Design Norm |
API 602 |
| Face to Face |
ASME B16.10 |
| Flange Dimension |
ASME B16.5 |
| Test & Inspection Code |
API 598 |
| Temperature |
-29~ 425°C |
| Applicable Medium |
Water, Oil and Gas |
Features
1.Forged from A105N carbon steel, providing high strength and reliable performance for 150LB pressure systems.
2.Globe valve with flange connection and hand wheel operation, compliant with API 602, ensures precise flow control and secure shutoff.
Technical Drawing
Dimension Checking
Pressure Testing
Nameplate & Packing
Inspection Report




Keywords of 1" 150LB Forged Steel Flange Globe Valve API602 A105N Hand Wheel
Comment Form
Similar Products