3” 900LB Forged Steel Trunnion Ball Valve A105 BW

3” 900LB Forged Steel Trunnion Ball Valve A105 BW

Key Specifications / Features

Model No.: Hits: 0

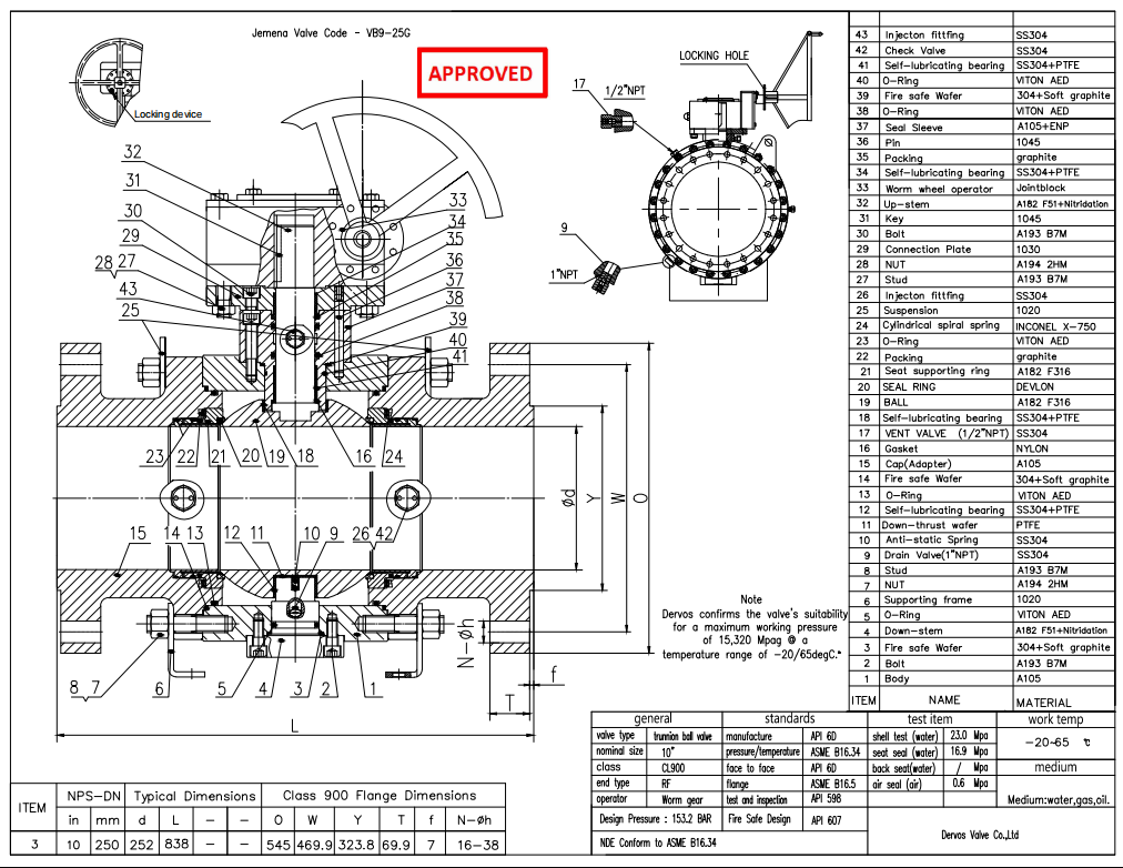
3” 900LB Forged Steel Trunnion Ball Valve is made according to API 6D standard. The valve body is made of A350 LF2 CL1.This fully welded full bore ball valve features a trunnion mounted DBB design with solid ball and self-relieving seats on both inlet and outlet. It incorporates fire-safe and anti-static construction with a blow-out proof stem. The valve is equipped with an extended stem with a length of 1950 mm measured from the valve center. Its connection mode is BW. And it has gearbox operation mode.
Request a quote

Detail Information

Product Parameters

Type Forged Steel Trunnion Ball Valve
Size 3”
Pressure 900LB
Connection BW
Operation Gearbox
Body Material A105
Design Norm API 6D
Flange ASME B16.5
Test & Inspection Code API 598
Temperature -20 ~ 65°C
Applicable Medium Water, Oil and Gas

Features

1.Trunnion-mounted ball design reduces operating torque and ensures stable sealing under high pressure.
2.Forged A105 steel body with butt-weld ends provides high strength and secure pipeline integration.

Technical Drawing

Trunnion Ball Valve

Pressure Testing

Trunnion Ball Valve

Nameplate & Packing

Trunnion Ball Valve

Inspection Report

Trunnion Ball Valve Trunnion Ball Valve Trunnion Ball Valve Trunnion Ball Valve

Keywords of 3” 900LB Forged Steel Trunnion Ball Valve A105 BW

Comment Form

Nickname*:
E-mail*:
Rate*:
Comments*:

Similar Products