4” CL600 Dual Plate Wafer Check Valve WCB LUG API594
Key Specifications / Features
Model No.: Hits: 0
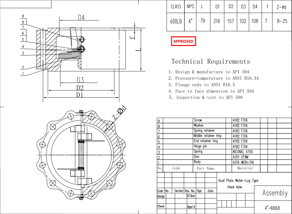
4” CL600 Dual Plate Wafer Check Valve is made according to API 594 standard. The valve body is made of A216 WCB+316. It has the structural characteristics of Dual Plate. Its connection mode is LUG.
Request a quote
Detail Information
Product Description
| Type |
Dual Plate Wafer Check Valve |
| Size |
4” |
| Pressure |
CL600 |
| Connection |
SW |
| Body Material |
A216 WCB+316 |
| Design Norm |
API594 |
| Face to Face Dimension |
API594 |
| Flange ends |
ANSI B16.5 |
| Test & Inspection Code |
API 598 |
| Temperature |
-29 ~ 150°C |
| Applicable Medium |
Water, Oil and Gas |
Features
1.WCB body with lug connection provides reliable strength and secure pipeline installation.
2.Dual plate wafer design ensures efficient flow control and minimizes pressure drop.
Technical Drawing
Dimension Checking
Pressure Testing
Painting
Nameplate & Packing
Inspection Report




Keywords of 4” CL600 Dual Plate Wafer Check Valve WCB LUG API594
Comment Form
Similar Products