DN200 PN25 Cast Steel Angle Globe Valve CF8M EN12516-1
Key Specifications / Features
Model No.: Hits: 0
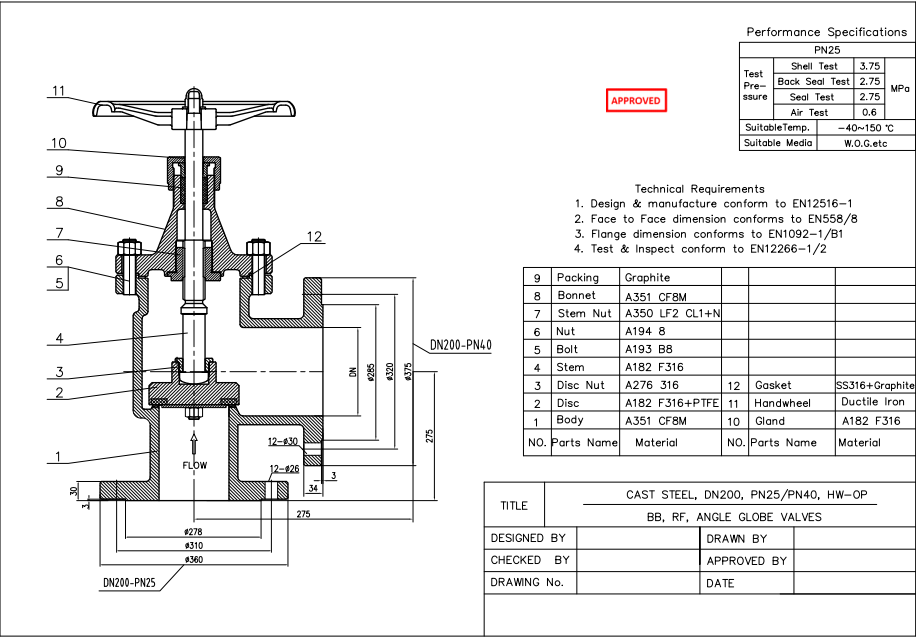
DN200 PN25 Cast Steel Angle Globe Valve is made according to EN12516-1 standard. The valve body is made of A351 CF8M. It has the structural characteristics of Angle Type, Non-rising Stem, Ammonia Service. Its connection mode is EN1092-1 B.
Request a quote
Detail Information
Product Description
| Type |
Cast Steel Angle Globe Valve |
| Size |
DN200 |
| Pressure |
PN25 |
| Connection |
EN1092-1 B |
| Body Material |
A351 CF8M |
| Design Norm |
EN12516-1 |
| Face to Face |
EN558/8 |
| Flange dimension |
EN1092-1/B1 |
| Test & Inspection Code |
EN12266-1/2 |
| Temperature |
-40 ~ 150°C |
| Applicable Medium |
Water, Oil and Gas |
Features
1.Made from high-quality CF8M cast steel, providing excellent corrosion resistance and durability.
2. Angle globe valve design meets EN12516-1 standards for precise flow control and reliable sealing.
Technical Drawing
Dimension Checking
Pressure Testing
Spectrum
Nameplate & Packing
Inspection Report




Keywords of DN200 PN25 Cast Steel Angle Globe Valve CF8M EN12516-1
Comment Form
Similar Products