Model No.: Hits: 0
Next: Return to List
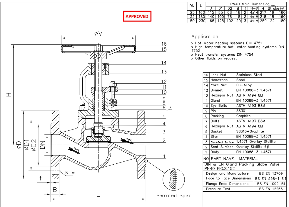
| Type | Austenitic Stainless Steel Globe Valve |
| Size | 8” |
| Pressure | 1500LB |
| Connection | EN1092-1 B1 |
| Operation | Hand wheel |
| Body Material | EN 10088-3 1.4571 |
| Design Norm | BS EN 13709 |
| Face to Face | BS EN 558-1 S.1 |
| Flange Ends Dimensions | BS EN 1092-B1 |
| Test & Inspection Code | BS EN 1092-B1 |
| Temperature | -29 ~ 425°C |
| Applicable Medium | Water, Oil and Gas |



