Model No.: Hits: 0
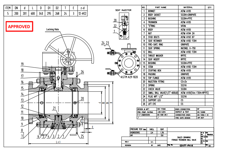
| Type | Forged Trunnion Ball Valve |
| Size | DN200 |
| Pressure | PN16 |
| Connection | EN1092-1 B |
| Operation | Worm Gear |
| Body Material | ASTM A105 |
| Design Norm | ISO 17292 |
| Face to face | EN 558 GR.1 |
| End connection | RF |
| Test & Inspection Code | EN 12266 |
| Temperature | -29 ~ 120°C |
