2” 1500LB Dual Plate Wafer Type Check Valve A216 WCB API 594
Key Specifications / Features
Model No.: Hits: 0
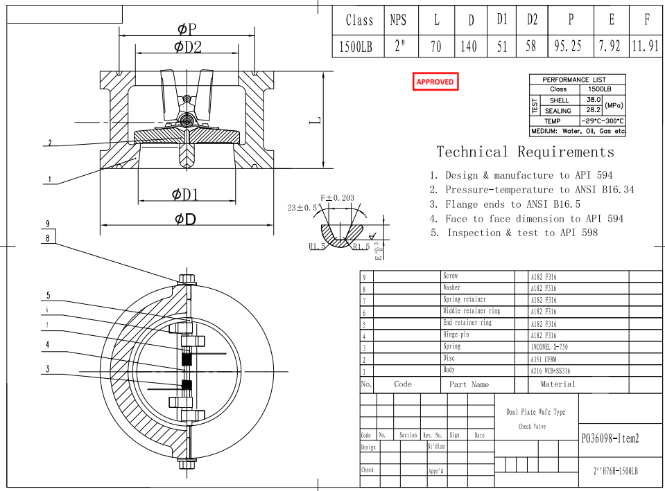
2” 1500LB Dual Plate Wafer Type Check Valve is made according to API594 standard. The valve body is made of A216 WCB+SS316. It has the structural characteristics of Dual Plate Wafer Type. Its connection mode is RTJ.
Request a quote
Detail Information
Product Description
| Type |
Wafer Type Check Valve |
| Size |
2" |
| Pressure |
1500LB |
| Connection |
RTJ |
| Body Material |
A216 WCB+SS316 |
| Design Norm |
API 594 |
| Face to Face |
API 594 |
| Flange ends |
ANSI B16.5 |
| Test & Inspection Code |
API 598 |
| Temperature |
-29 ~ 300°C |
| Applicable Medium |
Water, Oil and Gas |
Features
1.Made of A216 WCB carbon steel, this 2” dual plate wafer check valve provides high strength and long-lasting durability under 1500LB pressure.
2.Designed according to API 594 standards, it ensures efficient one-way flow control and compact wafer-style installation.
Technical Drawing
Dimension Checking
Pressure Testing
Nameplate & Packing
Inspection Report




Keywords of 2” 1500LB Dual Plate Wafer Type Check Valve A216 WCB API 594
Comment Form
Similar Products