4" 150LB Dual Plate Wafer-Lug Type Check Valve WCB API 594
Key Specifications / Features
Model No.: Hits: 0
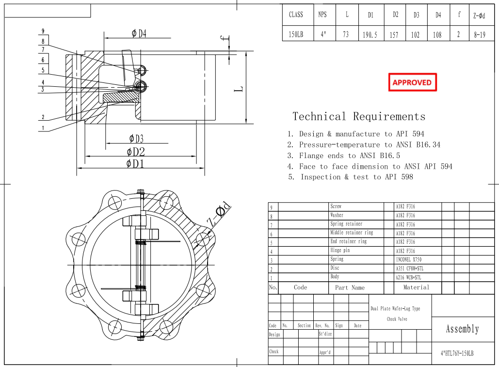
4” 150LB Dual Plate Wafer-Lug Type Check Valve is made according to API 594 standard. The valve body is made of A216 WCB+STL. It has the structural characteristics of Dual Plate Wafer. Its connection mode is Lug.
Request a quote
Detail Information
Product Description
| Type |
Dual Plate Check Valve |
| Size |
4" |
| Pressure |
150LB |
| Connection |
Lug |
| Body Material |
A216 WCB+STL |
| Design Norm |
API 594 |
| Face to Face |
ANSI API 594 |
| Flange end |
ANSI B16.5 |
| Test & Inspection Code |
API 598 |
| Temperature |
-29 ~ 425°C |
| Applicable Medium |
Water, Oil and Gas |
Features
1.Constructed from WCB carbon steel, this 4” dual plate wafer-lug check valve delivers strong durability and reliable performance under 150LB pressure.
2.Designed according to API 594 standards, it ensures efficient one-way flow control with compact wafer-lug style installation.
Technical Drawing
Dimension Checking
Pressure Testing
Nameplate & Packing
Inspection Report




Keywords of 4" 150LB Dual Plate Wafer-Lug Type Check Valve WCB API 594
Comment Form
Similar Products