2" 150LB Double Eccentric Butterfly Valve CF8M Handle API6D
Key Specifications / Features
Model No.: Hits: 0
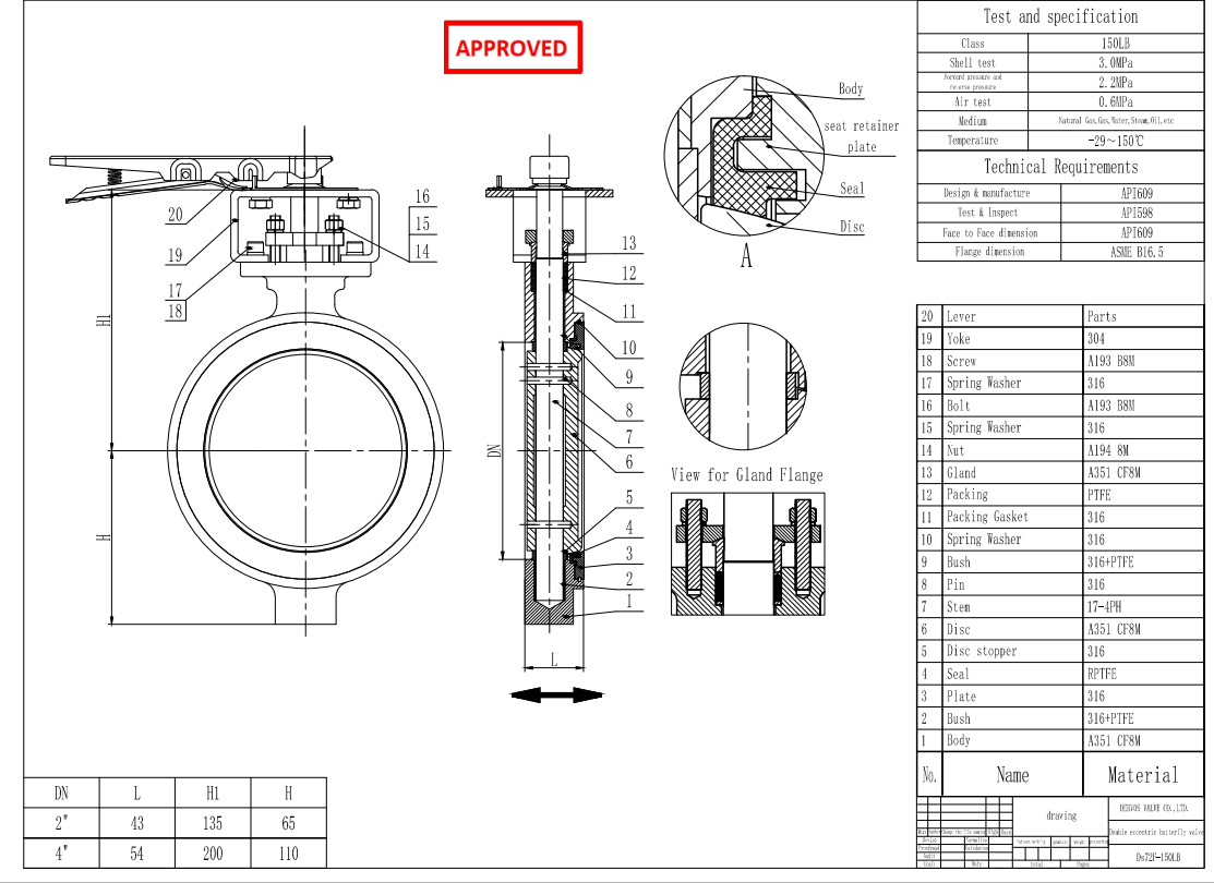
2" 150LB Double Eccentric Butterfly Valve is made according to API6D standard. The valve body is made of CF8M. It has the structural characteristics of Double Eccentric, High Performance. Its connection mode is Wafer Type. And it has handle operation mode.
Request a quote
Detail Information
Product Parameters
| Type |
Double Eccentric Butterfly Valve |
| Size |
2” |
| Pressure |
150LB |
| Connection |
Wafer Type |
| Operation |
handle |
| Body Material |
A351 CF8M |
| Design Norm |
API609 |
| Face to Face |
API609 |
| Flange dimension |
ASME B16.5 |
| Test & Inspection Code |
API 598 |
| Temperature |
-29 ~ 150°C |
| Applicable Medium |
NaturalGas,Gas,Water,Steam,Oil,etc |
Features
1.CF8M stainless steel body offers excellent corrosion resistance for water and chemical service.
2.Double eccentric design with handle operation reduces seat wear and ensures smooth, reliable shutoff.
Technical Drawing
Dimension Checking
Pressure Testing
Nameplate & Packing
Inspection Report




Keywords of 2" 150LB Double Eccentric Butterfly Valve CF8M Handle API6D
Comment Form
Similar Products